Здравствуйте, гость ( Вход | Регистрация )

 
Добавить ответ в эту темуОткрыть тему
> 

Гончарный круг

Гость_XXXander_*
сообщение 10.4.2012, 17:15
Сообщение #1





Гости






Всем хай. Есть электромотор КД-6-4-УХЛ4. Хотел сделать круг с регулятором оборотов и в разные стороны. Как я правильно понимаю еще нежно найти барашик и два тумблера или может один 3режимный тумблер.что еще нужно. Может есть схем.
Вернуться в начало страницы
Вставить ник
+Ответить с цитированием данного сообщения
uvk2
сообщение 10.4.2012, 19:44
Сообщение #2


=VIP=
**********

Группа: Пользователи
Сообщений: 3597
Регистрация: 27.8.2011
Пользователь №: 24058



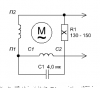
Двигатель от катушечного магнитофона. 1400 об/мин, 4 Вт. Редуктор однозначно к нему пристраивать нужно, но и все равно думаю слабоват. Не потянет.


http://www.irbislab.ru/modules.php?name=Fo...topic&t=546

Эскизы прикрепленных изображений
Прикрепленное изображение
 


--------------------
"Лучше ничем не заниматься, чем заниматься ничем." Плиний мл.
Вернуться в начало страницы
Вставить ник
+Ответить с цитированием данного сообщения

Быстрый ответДобавить ответ в эту темуОткрыть тему
1 чел. читают эту тему (гостей: 1, скрытых пользователей: 0)
Пользователей: 0


 



RSS Текстовая версия Сейчас: 28.11.2025, 22:44
Rambler's Top100     
Стиль от Desi.Ru - сайты и домены